JSS57P3N

Dyskusje dotyczące serwonapędów i napędów serwokrokowych.

dudziak4
Specjalista poziom 3 (min. 600)
Specjalista poziom 3 (min. 600)
Posty w temacie: 2
Posty: 718
Rejestracja: 06 wrz 2007, 13:30
Lokalizacja: Bielawa

Re: JSS57P3N

#21

Post napisał: dudziak4 » 09 lut 2021, 21:56

Jednak rezygnuje z zapisu bo potem się okaże że to partia samych pentaków :wink:




tristar0
Lider FORUM (min. 2000)
Lider FORUM (min. 2000)
Posty w temacie: 20
Posty: 3131
Rejestracja: 21 sty 2020, 17:48
Lokalizacja: Toruń miasto Tadeusza R

Re: JSS57P3N

#22

Post napisał: tristar0 » 09 lut 2021, 22:00

ale co byś był przy korycie to twoje
Mam wyrypane na wszelkiej maści proroków ,mędrców i wszystkich którzy stawiają się ponad innymi ,i tak ich zjedzą robaki

Awatar użytkownika

Autor tematu
tuxcnc
Lider FORUM (min. 2000)
Lider FORUM (min. 2000)
Posty w temacie: 24
Posty: 9836
Rejestracja: 26 lut 2011, 23:24
Lokalizacja: mazowieckie

Re: JSS57P3N

#23

Post napisał: tuxcnc » 10 lut 2021, 18:49

Dzisiaj zrobiłem tylko jeden test, za to ważny.
Podłączyłem zasilanie i sprawdziłem napięcie pomiędzy pinami GND i TX w gnieździe interfejsu szeregowego .
Jest minus 6,6V, co znaczy tyle, że jest to standard napięciowy zgodny z normą RS232 ("1" -3 V do -15 V, "0" +3 V do +15 V.)
Czyli podłączyć można do gniazda w starszym komputerze, albo do przejściówki USB zakończonej gniazdem męskim DB9.
Próba użycia przejściówki USB od Arduino (0-5V) najprawdopodobniej skończy się awarią.
I proszę bez tekstów że to oczywiste, bo w chińskim sprzęcie NIC nie jest oczywiste.


tristar0
Lider FORUM (min. 2000)
Lider FORUM (min. 2000)
Posty w temacie: 20
Posty: 3131
Rejestracja: 21 sty 2020, 17:48
Lokalizacja: Toruń miasto Tadeusza R

Re: JSS57P3N

#24

Post napisał: tristar0 » 10 lut 2021, 19:13

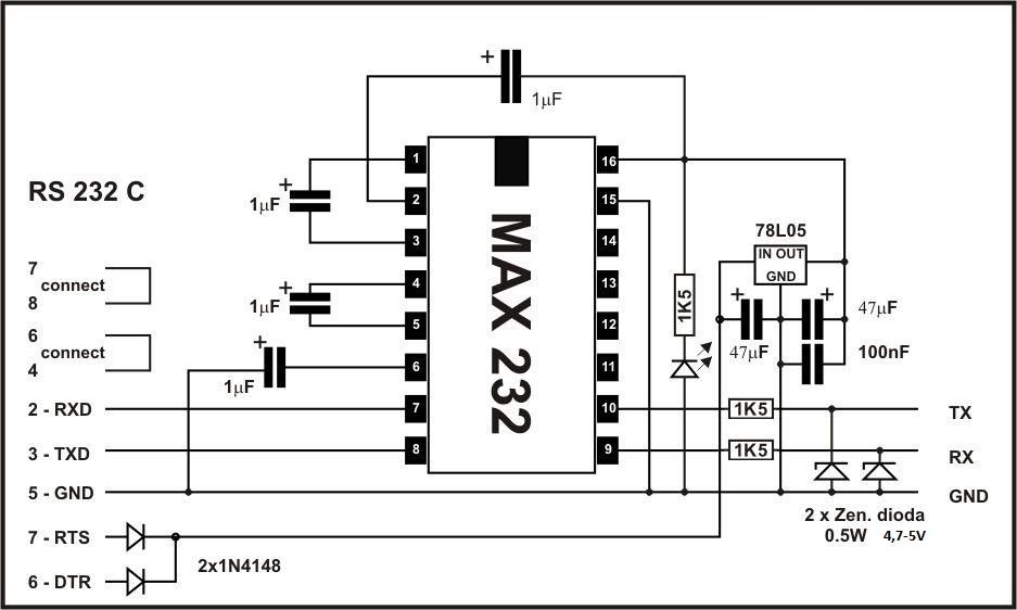
Dodane 11 minuty 29 sekundy:
tak jak na przykładzie
Załączniki
rs232.jpg
Mam wyrypane na wszelkiej maści proroków ,mędrców i wszystkich którzy stawiają się ponad innymi ,i tak ich zjedzą robaki

Awatar użytkownika

Autor tematu
tuxcnc
Lider FORUM (min. 2000)
Lider FORUM (min. 2000)
Posty w temacie: 24
Posty: 9836
Rejestracja: 26 lut 2011, 23:24
Lokalizacja: mazowieckie

Re: JSS57P3N

#25

Post napisał: tuxcnc » 10 lut 2021, 21:14

Nareszcie coś znalazłem, oczywiście przypadkiem i nie w Chinach ...



Oprogramowanie wygląda na właściwe, autorem jest producent tego konkretnie silnika.
ESS_ProTuner1.rar
(98.52 KiB) Pobrany 180 razy
Jeszcze nie sprawdzałem, bo nie mam pod ręką kabelka.

Awatar użytkownika

Autor tematu
tuxcnc
Lider FORUM (min. 2000)
Lider FORUM (min. 2000)
Posty w temacie: 24
Posty: 9836
Rejestracja: 26 lut 2011, 23:24
Lokalizacja: mazowieckie

Re: JSS57P3N

#26

Post napisał: tuxcnc » 13 lut 2021, 19:44

Dzisiaj zorganizowałem sobie kabelek, żeński wtyk DB9 i metr skrętki bez ekranu.
Połączenie według schematu
DB9_PinOut1.pdf
(1.32 MiB) Pobrany 241 razy
RX i TX to są piny na silniku a nie w gnieździe komputera (RX i TX łączy się na krzyż, czyli RX komputera z TX napędu i TX komputera z RX napędu)
Port COM jest zintegrowany na płycie głównej, przejściówkę USB-RS232 zamówiłem, ale jeszcze nie dostałem.
ESS_ProTuner1 uruchomiłem na 38400 baud, więcej program nawet nie pokazuje w opcjach.
Komunikacja przebiega prawidłowo i jedynym problemem jest to, że program jest prymitywnie prosty, bez wodotrysków w postaci wykresów itp.
Spróbowałem więc uruchomić

Kod: Zaznacz cały

 IHSV57 software ServoMotor-EN-2016-04-30.exe 
od jmc-motor.com
No i zonk.
Program nie widzi portu com
System Windows 10 64-bit, ale to podobno nie powinno stanowić problemu ...
Cholera wie o co może chodzić, ale raczej jest to problem natury program - system operacyjny, i sam napęd nie ma tu nic do rzeczy.
Będę miał czas, to pokombinuję.


tristar0
Lider FORUM (min. 2000)
Lider FORUM (min. 2000)
Posty w temacie: 20
Posty: 3131
Rejestracja: 21 sty 2020, 17:48
Lokalizacja: Toruń miasto Tadeusza R

Re: JSS57P3N

#27

Post napisał: tristar0 » 13 lut 2021, 20:01

dziwne odpaliłem program i od razu widzi com 3 u mnie na win10 ,może zaznacz uruchomianie aplikacji w trybie zgodności ze starszą windą

Dodane 1 minuta 56 sekundy:
a co do wodotrysków takie programy tuningowe nie są estetyczne tyko praktyczne
Mam wyrypane na wszelkiej maści proroków ,mędrców i wszystkich którzy stawiają się ponad innymi ,i tak ich zjedzą robaki

Awatar użytkownika

Autor tematu
tuxcnc
Lider FORUM (min. 2000)
Lider FORUM (min. 2000)
Posty w temacie: 24
Posty: 9836
Rejestracja: 26 lut 2011, 23:24
Lokalizacja: mazowieckie

Re: JSS57P3N

#28

Post napisał: tuxcnc » 13 lut 2021, 23:45

tristar0 pisze:
13 lut 2021, 20:01
może zaznacz uruchomianie aplikacji w trybie zgodności ze starszą windą
Port zobaczył, ale go nie otwiera, za to go zawiesza i trzeba restartować komputer.
Może to tylko u mnie, ale dziwne bo system niedawno postawiony i praktycznie nieużywany.
Jak przyjdzie przejściówka USB to spróbuję jeszcze na laptopie, na razie dałem sobie spokój.

-----------------------------------------------

Natomiast trochę się pobawiłem pod ESS_ProTuner1.
Silnik na pusto kręci się do 3000 obr/min, a jak się przesadzi z przyśpieszeniem to się sam wyłącza.
Naprawdę fajnie to działa i do zwykłych krokowców chyba już nie wrócę.
Przy cenie rzędu 250 PLN/szt to nawet taniej wychodzi.


tristar0
Lider FORUM (min. 2000)
Lider FORUM (min. 2000)
Posty w temacie: 20
Posty: 3131
Rejestracja: 21 sty 2020, 17:48
Lokalizacja: Toruń miasto Tadeusza R

Re: JSS57P3N

#29

Post napisał: tristar0 » 14 lut 2021, 07:56

Na metrowym przewodzie to ekran jest już wymagany
tuxcnc pisze:Dzisiaj zorganizowałem sobie kabelek, żeński wtyk DB9 i metr skrętki bez ekranu.
Bo przewody działają niczym antena i zbierają wszystkie zakłócenia które wysyła silnik .

Dodane 1 minuta 22 sekundy:
ekran oczywiście do masy .
Mam wyrypane na wszelkiej maści proroków ,mędrców i wszystkich którzy stawiają się ponad innymi ,i tak ich zjedzą robaki

Awatar użytkownika

Autor tematu
tuxcnc
Lider FORUM (min. 2000)
Lider FORUM (min. 2000)
Posty w temacie: 24
Posty: 9836
Rejestracja: 26 lut 2011, 23:24
Lokalizacja: mazowieckie

Re: JSS57P3N

#30

Post napisał: tuxcnc » 14 lut 2021, 08:53

tristar0 pisze:
14 lut 2021, 07:56
Na metrowym przewodzie to ekran jest już wymagany
tuxcnc pisze:Dzisiaj zorganizowałem sobie kabelek, żeński wtyk DB9 i metr skrętki bez ekranu.
Bo przewody działają niczym antena i zbierają wszystkie zakłócenia które wysyła silnik .

Dodane 1 minuta 22 sekundy:
ekran oczywiście do masy .
Mam do Ciebie ogromną prośbę, żebyś mnie nie uczył podstaw elektroniki.
Chyba nie rozumiesz że napisałem co zrobiłem, a nie jak powinno być zrobione.
Mam przewód LIYCY, ale będzie mi potrzebny do okablowania maszyny, więc nie chciałem odcinać kawałka, którego może mi potem zabraknąć.
Zrobiłem z tego co było pod ręką i działa.

Ale jak już jesteśmy przy temacie zakłóceń elektromagnetycznych, to dzięki użyciu JSS57P3N powinno być ich stanowczo mniej, bo się unika kilku metrów kabla pomiędzy sterownikiem a silnikiem, przez który płynie kilka amperów PWM.

ODPOWIEDZ Poprzedni tematNastępny temat

Wróć do „Serwomotory / Serwonapędy / Napędy Serwokrokowe”