Uchwyty tokarskie
Problem z łamiącymi się uchwytami.
-
ADEMAUS
Autor tematu - Nowy użytkownik, używaj wyszukiwarki

- Posty w temacie: 5
- Posty: 5
- Rejestracja: 30 sie 2022, 01:36
Uchwyty tokarskie
Witam szanowne grono , pisze do was z tematem miękkich szczęk bo już mi brakuje pomysłów, mianowicie na tokarkach takamaz xw-130 obrabiamy rolki które są podawane przez robota , bo ma być 37s na cześć i kropka
♂️ ale mamy problem bo miękkie szczęki na pierwszej operacji nie wytrzymują więcej niż 500 sztuk
już różne designy szczęki nic nie działa , część jest trzymana za średnicę wewnętrzna o wymiarach 24.6 mm. I szczęki przekroczone do tego wymiaru po prostu nie wytrzymują,zmienialiśmy już ciśnienie (najniższe możliwe ) i porostu brak pomysłów, może ktoś miał podobny problem ?
-
jasiu...
- Lider FORUM (min. 2000)

- Posty w temacie: 1
- Posty: 5957
- Rejestracja: 14 lip 2007, 19:02
- Lokalizacja: Westfalia
Re: Uchwyty tokarskie
A czemu w szczękach? Nie da się jakiegoś trzpienia tam zastosować? Zauważ, że w maszynach zawsze masz w środku wrzeciona trzpień, który jak się wciąga, to zaciska szczęki, jeśli założony jest uchwyt. I ten trzpień mógłby zaciskać w jakiś sposób część na trzpieniu. Trochę jak masło maślane, ale myślę, że załapałeś o co mi chodzi. Choćby tak, jak działa tulejka rozprężna, tylko w drugą stronę (nie zaciskać otworu, ale rozprężać średnicę zewnętrzną. Przy tej ilości bardzo się będzie opłacić taki uchwyt zrobić.
-
RomanJ4
- Lider FORUM (min. 2000)

- Posty w temacie: 2
- Posty: 12096
- Rejestracja: 17 mar 2009, 08:55
- Lokalizacja: Skępe
Re: Uchwyty tokarskie
To musiałoby być coś takiego zamocowanego na wrzecionie,
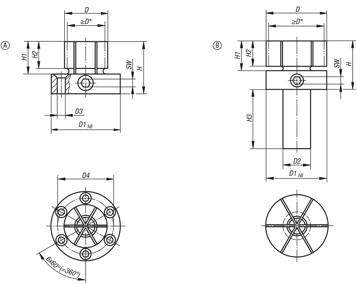
https://www.kipp.pl/pl/produkty/ELEMENT ... /agid.1465 (https://www.kipp.pl/pl/produkty/ELEMENT ... ne/c/26503)

tylko zamiast wkręcanej śruby ze stożkowym łbem - ciągadło ze stożkowym łbem przechodzące przez wrzeciono jeśli zaciskanie ma być zmechanizowane(pneumatyczne, hydrauliczne, czy dźwigniowe jak w TSA, TSB, itd). Albo ta śruba wkręcana w ciągadło jeśli tuleja nie ma gwintu.
Albo zaciskanie ręczne kluczem,
https://www.kipp.pl/pl/produkty/ELEMENT ... /agid.1468

Tuleje można zataczać na żądany wymiar

Albo któreś z podobnych rozwiązań
https://www.nann.de/de/werkstueckspannu ... dorne.html
https://www.ringspann.com/en/products/p ... w-bolt-bkd
Dodane 33 minuty 15 sekundy:
https://www.roehm.biz/en/products/mandr ... et-chucks/
https://www.kipp.pl/pl/produkty/ELEMENT ... /agid.1465 (https://www.kipp.pl/pl/produkty/ELEMENT ... ne/c/26503)

tylko zamiast wkręcanej śruby ze stożkowym łbem - ciągadło ze stożkowym łbem przechodzące przez wrzeciono jeśli zaciskanie ma być zmechanizowane(pneumatyczne, hydrauliczne, czy dźwigniowe jak w TSA, TSB, itd). Albo ta śruba wkręcana w ciągadło jeśli tuleja nie ma gwintu.
Albo zaciskanie ręczne kluczem,
https://www.kipp.pl/pl/produkty/ELEMENT ... /agid.1468

Tuleje można zataczać na żądany wymiar

Albo któreś z podobnych rozwiązań
https://www.nann.de/de/werkstueckspannu ... dorne.html
https://www.ringspann.com/en/products/p ... w-bolt-bkd
Dodane 33 minuty 15 sekundy:
https://www.roehm.biz/en/products/mandr ... et-chucks/
pozdrawiam,
Roman
Roman
-
ADEMAUS
Autor tematu - Nowy użytkownik, używaj wyszukiwarki

- Posty w temacie: 5
- Posty: 5
- Rejestracja: 30 sie 2022, 01:36
Re: Uchwyty tokarskie
Dziękuję Panowie za odpowiedzi, co do collet chuckow trzpieni rozprężnych, z tym rozwiązaniem jest problem taki że jakby było to ładowanie z ręki to rzeczywiście super rozwiązanie niestety te detale podaje robot a nie obrobione detale przychodzą do nas z chin i otwór jest +- 0.2mm ale to jeszcze było by by do przełkniecia ale jeszcze koncetrycznosc tego otwory do zewnętrznej średnicy jest różna a robot łapie za średnicę zewnątrz więc nie zawsze idealnie trafi w trzpień. A trzpienie rozprężne też nie mają powiedzmy 0.6mm zacisku czy rozwarcia z tego co się orientowałem. Niby banalna robota bo jest prosta ale takie niespodzianki na drodze
-
Bandito
- Specjalista poziom 1 (min. 100)

- Posty w temacie: 1
- Posty: 143
- Rejestracja: 09 maja 2017, 20:42
- Lokalizacja: ;)
Re: Uchwyty tokarskie
Więc może źródło problemu jest w chwytaku robota, który nie zawsze idealnie trafi ?ADEMAUS pisze: ↑22 lis 2024, 21:35jakby było to ładowanie z ręki to rzeczywiście super rozwiązanie niestety te detale podaje robot a nie obrobione detale przychodzą do nas z chin i otwór jest +- 0.2mm ale to jeszcze było by by do przełkniecia ale jeszcze koncetrycznosc tego otwory do zewnętrznej średnicy jest różna a robot łapie za średnicę zewnątrz więc nie zawsze idealnie trafi w trzpień.
-
RomanJ4
- Lider FORUM (min. 2000)

- Posty w temacie: 2
- Posty: 12096
- Rejestracja: 17 mar 2009, 08:55
- Lokalizacja: Skępe
Re: Uchwyty tokarskie
Bandito pisze:Więc może źródło problemu jest w chwytaku robota, który nie zawsze idealnie trafi ?
Pewnie bardziej w nieregularności geometrii samych detali. Jeśli były chwytane od środka w szczęki zmechanizowanego uchwytu tokarskiego, to pewnie odpowiednio duży ruch roboczy szczęk tę wadę eliminował..
pozdrawiam,
Roman
Roman
-
Robert_K
- ELITA FORUM (min. 1000)

- Posty w temacie: 4
- Posty: 1306
- Rejestracja: 15 sie 2017, 08:03
- Lokalizacja: Podkarpacie
Re: Uchwyty tokarskie
Nie sądzę, mechanika robota jest dużo bardziej wiotka niż mechanika uchwytu hydraulicznego, jak robot wsadzi krzywo to przy zacisku szczęk na uchwycie hydraulika naciągnie sobie robota do swoich potrzeb i to bez większych problemówBandito pisze:Więc może źródło problemu jest w chwytaku robota, który nie zawsze idealnie trafi ?
Pozdrawiam.
-
ADEMAUS
Autor tematu - Nowy użytkownik, używaj wyszukiwarki

- Posty w temacie: 5
- Posty: 5
- Rejestracja: 30 sie 2022, 01:36
Re: Uchwyty tokarskie
Narazie podejmuje próbę z trzpieniami rozpreznymi z fazka na trzpieniu żeby jakoś naprowadzić ta część,być może wypali,bo tak naprawdę jedyna opcja jest zmiana cylindra na mniejszy,bo być może ktoś kto zamawiał maszyny trochę przeforsował 
Dodane 25 sekundy:
Na zdj aktualny design który nie ogarnia

Dodane 25 sekundy:
Na zdj aktualny design który nie ogarnia




