TUM 25A
-
Robert1987
- Nowy użytkownik, używaj wyszukiwarki

- Posty w temacie: 1
- Posty: 3
- Rejestracja: 03 sie 2014, 22:57
- Lokalizacja: Polska
Na wstepie pragne wszystkich powitac. oddłuższego czasu przygladam sie temu forum..znalazłem tutaj jużnie raz bardzo wiele przydatnych informacji..dzis jednak postanowiłem sie juz zarejestrowac.
jako żenigdzie indziej nie udało mi sie znalezc odpowiedzi na nurtujace mnie pytaniemusze zapytac o to Was tutaj. Posiadam tokarke Tum 25a rozebrałem wrzeciono w celu wymiany łożysk. gdyz podczas toczenia uchwyt zaczął drżec.. dodatkowo wystapiłproblem z biciem wiec by nie kabinowac postanowiłem zaczac od podstaw a ze tokarka niedawno kupiona to rozebrałem wrzeciono no i do wymiany..dwałożyska wzdłużne 51210, jedno kulkowe 6208N
oraz NN3011K...i tutaj natarfiłem na niemały problem.. zwatpiłem i zaczałem sie zastanawiac czy cos nie jest przy moiom wrzecionie pokombinowane.. wymiary łożyska wg katalogów to 55x90x 26 ..ale nie u mnie .. u mnie miejsce pod łożysko nie jest walcem ale stożkiem.. tak samo pierscien wewnetrzny ... i nie równy wymiar 55 lecz w tozku od 55 do 57.. Pomóżcie..prosze.. bo nie wiem co jest grane anie moge znalezc takiego łozyska.
jako żenigdzie indziej nie udało mi sie znalezc odpowiedzi na nurtujace mnie pytaniemusze zapytac o to Was tutaj. Posiadam tokarke Tum 25a rozebrałem wrzeciono w celu wymiany łożysk. gdyz podczas toczenia uchwyt zaczął drżec.. dodatkowo wystapiłproblem z biciem wiec by nie kabinowac postanowiłem zaczac od podstaw a ze tokarka niedawno kupiona to rozebrałem wrzeciono no i do wymiany..dwałożyska wzdłużne 51210, jedno kulkowe 6208N
oraz NN3011K...i tutaj natarfiłem na niemały problem.. zwatpiłem i zaczałem sie zastanawiac czy cos nie jest przy moiom wrzecionie pokombinowane.. wymiary łożyska wg katalogów to 55x90x 26 ..ale nie u mnie .. u mnie miejsce pod łożysko nie jest walcem ale stożkiem.. tak samo pierscien wewnetrzny ... i nie równy wymiar 55 lecz w tozku od 55 do 57.. Pomóżcie..prosze.. bo nie wiem co jest grane anie moge znalezc takiego łozyska.
-
pavyan
- Specjalista poziom 3 (min. 600)

- Posty w temacie: 19
- Posty: 813
- Rejestracja: 12 paź 2018, 21:36
Re: TUM 25A
Witam wszystkich Kolegów, piszę po raz pierwszy na Forum.
Dostanę pewnie Złotą Łopatę, bo temat prehistoryczny - ale tytuł tematu jest idealny, więc po co mnożyć podobne. A może się opis moich perypetii przydać innym, również ja mam wielką nadzieję, że ktoś z Was pomoże mi gdy natknę się na jakąś dużą rafę.
Mam starą 25A, uważam ją za bardzo udaną niedużą maszynę - mimo, że powycierana to jej pomoc jest nieoceniona. Znam na wylot jej dołki i górki, wiem gdzie i na co uważać
Niestety, jakiś czas temu zaczęły się dziać dziwne i niepokojące rzeczy, jakieś drgania, stuki itp.
W pewnym momencie zupełnie przestały działać najczęściej używane i najbardziej mi potrzebne prędkości (jakżeby inaczej...), czyli 630, 226 - "codzienne", typowe toczenie, przecinanie i nacinanie gwintów (czyli odboczka z 226).
Nie tylko te przestały działać, poza nimi wysiadły jeszcze 1800 i 2500, ale tych i tak nie używam - bo nie chcę, żeby staruszka wystartowała jak Spitfire, w dodatku rażąc mnie odłamkami
Szybka analiza pozwoliła mi wydedukować, co jest najprawdopodobniejszą przyczyną - mianowicie swobodne obracanie się koła zębatego 38z na wałku pośrednim w reduktorze. Czyli ścięcie blokady obrotu - na tym wałku są cztery koła zębate z tulejami dystansowymi, i wszystkie koła powinny być zblokowane z wałkiem, czyli ze sobą.
Jak? Tego nie wiedziałem - albo pojedyncze wstawki dla każdego koła albo jedna długa, przez całą długość wałka.
Na wszelki wypadek przed wymontowaniem reduktora kupiłem komplet łożysk NACHI* (bo pomyślałem, że przy okazji demontażu reduktora chyba dobrze byłoby wymienić 50-cio letnie łożyska) i dzisiaj wymontowałem reduktor.
Najbardziej obawiałem się urwania jednego z "zawiasów" podczas wyjmowania trzpienia, na którym wisi reduktor - to byłaby katastrofa. Nierównomierne podparcie od dołu ciężkiego reduktora mogło spowodować obsunięcie się dalszego końca po "wypięciu" pierwszego punktu obrotu i odłamanie tego, w którym jeszcze tkwił trzpień - żeliwo jest jakoś tak mało sprężyste
Pomysł zapobiegający takiemu straszliwemu wręcz uszkodzeniu był oczywisty (choć w DTR-ce o tym sposobie nie napisano): mianowicie odkręcenie całej płyty z dźwigniami sterującymi prędkościami wrzeciona (po ich demontażu), tak by płyta była luźno zamocowana; na niej są owe zawiasy (stałe, zawiasy korpusu).
Płytę ustalają dwa kołki, obawiałem się że 1:50 - ale okazało się że są walcowe (zresztą to logiczne) i obyło się bez jakichkolwiek problemów z "odbiciem" płyty od korpusu. Wałek osi wybiłem prowizorycznym młotkiem "bezwładnościowym", zresztą w wałku jest nagwintowany otwór M10 - niewątpliwie w tym celu i reduktor siadł spokojnie na podłożonych równych balikach z małymi klinami niwelującymi nierówności dna odlewu.
Otworzyłem klapę i rzeczywiście - blokada obrotu jest ścięta pod kołem 38z, wygląda ona na jedną długą listwę w długim kanałku wałka. Ale... niestety to nie wszystko - gorzej, że i koło zębate jest uszkodzone, piasta jest wyłamana; brakuje ok 1/4 obwodu piasty (ma dość małą średnicę, jest zbyt delikatna). Oczywiście wyłamanie jest w tym miejscu, gdzie skierowany był silny "kopniak" od silnika w momencie startu prawych obrotów.
Ten odłamek powinien leżeć gdzieś na dnie reduktora, mam nadzieję że jest w jednym kawałku - bo mam prawdziwie niekoszerny pomysł, by go porządnie przyspawać TIG-iem do miejsca, w którym był.
Oprócz tego może wcisnę na piastę pierścień wzmacniający - jeśli się zmieści, ponieważ obok jest małe koło 14z - i także "spawnę" go do koła.
Mam nadzieję, że całość nie rzuci mi zbytnio przy spawaniu... o, i tu pytanie do Was: z jakiego materiału w latach 60-tych robiono TYPOWO koła zębate w podobnych tokarkach? Czy to może była zwykła "45" albo "55" hartowana powierzchniowo lub na wskroś (nie za dobrze, bo one mocno się odkształcają), czy może jakaś inna stal?
Listwę blokującą w uszkodzonym miejscu też nadspawam, np. jakąś 2H13 albo 40H (może nieco utwardzą przy stygnięciu), i/lub może odwrócę końce listwy jeśli to będzie możliwe albo ostatecznie zrobię nową z jakiegoś ulepszonego materiału... hmm, ale nie mam magnesówki.
Znalazłem różnych oferentów na części i koła zębate do TUM-ków, ale najtańsze kółko reduktora podobno ~300zł netto - a to uszkodzone ma 38 zębów, więc pewnie będzie sporo droższe. Z tego właśnie powodu będę próbował połatać na własną rękę to co się (może) da połatać.
W miarę postępów prac (mam nadzieję, że to będzie postęp
) dopiszę jak mi to idzie - może się komuś przyda.
To może być bowiem dość typowe uszkodzenie reduktora - w tej tokarce start jest natychmiastowy, silnik daje solidnego "kopa" biednemu kołu 38z i jego blokadzie, a jest to koło często używanych prędkości wrzeciona.
*Co do łożysk NACHI - znalazłem sklep w sieci, który ma b. dobre ceny na promieniowe łożyska kulkowe NACHI (prawie identyczne z cenami FŁT) - a jak czytam, NACHI to znana firma japońska, jedna z lepszych. Łożyska osiowe już nie tak tanie - chciałem kupić oporowe 51210 do wrzeciona (też czeka mnie remont), i niestety koszt to około 70zł/szt. Kupiłem więc czeskie NKL, nie wiem czy to na pewno dobry wybór, podobno niezłe - ale... kiedy zadzwoniłem do Kraśnika który został CHIŃSKĄ własnością (ku...a!), gość powiedział mi że oni już w zasadzie są centralą handlową, praktycznie nie robią łożysk, robią je dla nich różni podwykonawcy - to zadałem sobie pytanie, na których łożyskach najwięcej zarobi skośnooki właściciel? No, na chińskich niewątpliwie.
Tak więc - mimo patriotyzmu handlowego - wolę czeskie. Może są czeskie...
Nie chcę być posądzony o kryptoreklamę, ale oczywiście jeśli komuś przyda się adres sklepu (w Płocku) - proszę zasygnalizować.
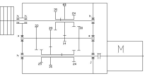
Dołączam schemat reduktora, z wyraźnie opisanymi kołami zębatymi i typami łożysk - w DTR-ce jest mały, bardzo niewyraźny rysunek, więc uznałem, że to będzie przydatna rzecz (ale całej tokarki nie przerysuję, o nie
)
h - 6205 25x52x15 4szt
e - 6304 30x52x15 2szt
j - 620630x62x16 1szt
Łożyska przepisane z mojej DTR-ki, powinno się chyba zgadzać we wszystkich maszynach TUM-25A, choć jak czytam z łożyskami wrzeciona są jakieś cyrki i są dwie różne wersje (rozmiary łożysk), choć przelot wrzeciona jest o tej samej średnicy. PS: Kurde, nie wiem jak ten reduktor rozbebeszyć... żeby nic nie uszkodzić i żeby dał się z powrotem zmontować z nowymi łożyskami.
Narzędzi do demontażu/montażu nie mam, tylko młotek, holajzę i majzel
... i w dodatku to jest mój pierwszy reduktor (żeby tylko droselklapa nie ryksztosowała). Mam nadzieję, że i ostatni - dziś pazury czarne jak święta ziemia.
Dostanę pewnie Złotą Łopatę, bo temat prehistoryczny - ale tytuł tematu jest idealny, więc po co mnożyć podobne. A może się opis moich perypetii przydać innym, również ja mam wielką nadzieję, że ktoś z Was pomoże mi gdy natknę się na jakąś dużą rafę.
Mam starą 25A, uważam ją za bardzo udaną niedużą maszynę - mimo, że powycierana to jej pomoc jest nieoceniona. Znam na wylot jej dołki i górki, wiem gdzie i na co uważać
Niestety, jakiś czas temu zaczęły się dziać dziwne i niepokojące rzeczy, jakieś drgania, stuki itp.
W pewnym momencie zupełnie przestały działać najczęściej używane i najbardziej mi potrzebne prędkości (jakżeby inaczej...), czyli 630, 226 - "codzienne", typowe toczenie, przecinanie i nacinanie gwintów (czyli odboczka z 226).
Nie tylko te przestały działać, poza nimi wysiadły jeszcze 1800 i 2500, ale tych i tak nie używam - bo nie chcę, żeby staruszka wystartowała jak Spitfire, w dodatku rażąc mnie odłamkami
Szybka analiza pozwoliła mi wydedukować, co jest najprawdopodobniejszą przyczyną - mianowicie swobodne obracanie się koła zębatego 38z na wałku pośrednim w reduktorze. Czyli ścięcie blokady obrotu - na tym wałku są cztery koła zębate z tulejami dystansowymi, i wszystkie koła powinny być zblokowane z wałkiem, czyli ze sobą.
Jak? Tego nie wiedziałem - albo pojedyncze wstawki dla każdego koła albo jedna długa, przez całą długość wałka.
Na wszelki wypadek przed wymontowaniem reduktora kupiłem komplet łożysk NACHI* (bo pomyślałem, że przy okazji demontażu reduktora chyba dobrze byłoby wymienić 50-cio letnie łożyska) i dzisiaj wymontowałem reduktor.
Najbardziej obawiałem się urwania jednego z "zawiasów" podczas wyjmowania trzpienia, na którym wisi reduktor - to byłaby katastrofa. Nierównomierne podparcie od dołu ciężkiego reduktora mogło spowodować obsunięcie się dalszego końca po "wypięciu" pierwszego punktu obrotu i odłamanie tego, w którym jeszcze tkwił trzpień - żeliwo jest jakoś tak mało sprężyste
Pomysł zapobiegający takiemu straszliwemu wręcz uszkodzeniu był oczywisty (choć w DTR-ce o tym sposobie nie napisano): mianowicie odkręcenie całej płyty z dźwigniami sterującymi prędkościami wrzeciona (po ich demontażu), tak by płyta była luźno zamocowana; na niej są owe zawiasy (stałe, zawiasy korpusu).
Płytę ustalają dwa kołki, obawiałem się że 1:50 - ale okazało się że są walcowe (zresztą to logiczne) i obyło się bez jakichkolwiek problemów z "odbiciem" płyty od korpusu. Wałek osi wybiłem prowizorycznym młotkiem "bezwładnościowym", zresztą w wałku jest nagwintowany otwór M10 - niewątpliwie w tym celu i reduktor siadł spokojnie na podłożonych równych balikach z małymi klinami niwelującymi nierówności dna odlewu.
Otworzyłem klapę i rzeczywiście - blokada obrotu jest ścięta pod kołem 38z, wygląda ona na jedną długą listwę w długim kanałku wałka. Ale... niestety to nie wszystko - gorzej, że i koło zębate jest uszkodzone, piasta jest wyłamana; brakuje ok 1/4 obwodu piasty (ma dość małą średnicę, jest zbyt delikatna). Oczywiście wyłamanie jest w tym miejscu, gdzie skierowany był silny "kopniak" od silnika w momencie startu prawych obrotów.
Ten odłamek powinien leżeć gdzieś na dnie reduktora, mam nadzieję że jest w jednym kawałku - bo mam prawdziwie niekoszerny pomysł, by go porządnie przyspawać TIG-iem do miejsca, w którym był.
Oprócz tego może wcisnę na piastę pierścień wzmacniający - jeśli się zmieści, ponieważ obok jest małe koło 14z - i także "spawnę" go do koła.
Mam nadzieję, że całość nie rzuci mi zbytnio przy spawaniu... o, i tu pytanie do Was: z jakiego materiału w latach 60-tych robiono TYPOWO koła zębate w podobnych tokarkach? Czy to może była zwykła "45" albo "55" hartowana powierzchniowo lub na wskroś (nie za dobrze, bo one mocno się odkształcają), czy może jakaś inna stal?
Listwę blokującą w uszkodzonym miejscu też nadspawam, np. jakąś 2H13 albo 40H (może nieco utwardzą przy stygnięciu), i/lub może odwrócę końce listwy jeśli to będzie możliwe albo ostatecznie zrobię nową z jakiegoś ulepszonego materiału... hmm, ale nie mam magnesówki.
Znalazłem różnych oferentów na części i koła zębate do TUM-ków, ale najtańsze kółko reduktora podobno ~300zł netto - a to uszkodzone ma 38 zębów, więc pewnie będzie sporo droższe. Z tego właśnie powodu będę próbował połatać na własną rękę to co się (może) da połatać.
W miarę postępów prac (mam nadzieję, że to będzie postęp
To może być bowiem dość typowe uszkodzenie reduktora - w tej tokarce start jest natychmiastowy, silnik daje solidnego "kopa" biednemu kołu 38z i jego blokadzie, a jest to koło często używanych prędkości wrzeciona.
*Co do łożysk NACHI - znalazłem sklep w sieci, który ma b. dobre ceny na promieniowe łożyska kulkowe NACHI (prawie identyczne z cenami FŁT) - a jak czytam, NACHI to znana firma japońska, jedna z lepszych. Łożyska osiowe już nie tak tanie - chciałem kupić oporowe 51210 do wrzeciona (też czeka mnie remont), i niestety koszt to około 70zł/szt. Kupiłem więc czeskie NKL, nie wiem czy to na pewno dobry wybór, podobno niezłe - ale... kiedy zadzwoniłem do Kraśnika który został CHIŃSKĄ własnością (ku...a!), gość powiedział mi że oni już w zasadzie są centralą handlową, praktycznie nie robią łożysk, robią je dla nich różni podwykonawcy - to zadałem sobie pytanie, na których łożyskach najwięcej zarobi skośnooki właściciel? No, na chińskich niewątpliwie.
Tak więc - mimo patriotyzmu handlowego - wolę czeskie. Może są czeskie...
Nie chcę być posądzony o kryptoreklamę, ale oczywiście jeśli komuś przyda się adres sklepu (w Płocku) - proszę zasygnalizować.
Dołączam schemat reduktora, z wyraźnie opisanymi kołami zębatymi i typami łożysk - w DTR-ce jest mały, bardzo niewyraźny rysunek, więc uznałem, że to będzie przydatna rzecz (ale całej tokarki nie przerysuję, o nie
h - 6205 25x52x15 4szt
e - 6304 30x52x15 2szt
j - 620630x62x16 1szt
Łożyska przepisane z mojej DTR-ki, powinno się chyba zgadzać we wszystkich maszynach TUM-25A, choć jak czytam z łożyskami wrzeciona są jakieś cyrki i są dwie różne wersje (rozmiary łożysk), choć przelot wrzeciona jest o tej samej średnicy. PS: Kurde, nie wiem jak ten reduktor rozbebeszyć... żeby nic nie uszkodzić i żeby dał się z powrotem zmontować z nowymi łożyskami.
Narzędzi do demontażu/montażu nie mam, tylko młotek, holajzę i majzel
-
Pirat
- Specjalista poziom 2 (min. 300)

- Posty w temacie: 11
- Posty: 513
- Rejestracja: 12 lut 2017, 14:28
- Lokalizacja: Lódź
Re: TUM 25A
TUM 25 rzeczywiście mocno strzela przy starcie, żeby temu zapobiec trzeba by doposażyć tą tokarkę w falownik i ustawić miękki start. Przyspawanie koła zębatego do wałka to rzeźnictwo i pewnie szybko się rozleci robiąc jeszcze większe szkody, zamiast dziadować kup potrzebne części skoro są dostępne.
-
pavyan
- Specjalista poziom 3 (min. 600)

- Posty w temacie: 19
- Posty: 813
- Rejestracja: 12 paź 2018, 21:36
Re: TUM 25A
Nie, nie, ja tak potwornego pomysłu nigdy nie miałem, nie jestem aż takim BARBARZYŃCĄ
- zresztą to chyba praktycznie niemożliwe.
Może niejasno się wyraziłem, bardzo skrótowo.
Ja chcę spróbować przyspawać odłamany kawałek piasty koła w miejsce, z którego został on wyłamany - jeżeli znajdę go na dnie reduktora w jednym kawałku. Wtedy będzie idealnie pasował, oczywiście zrobię głębokie fazy żeby przetop był pełny. To nie jest uszkodzenie dyskwalifikujące koło zupełnie, dlatego chcę trochę "podziadować"
Poza tym lubię robić dziwne, niekonwencjonalne rzeczy.
Co do samego spawania: dodatkowo myślę o wstawieniu (tuż przed spawaniem) w wydłutowany w kole rowek - bo to tutaj, w najsłabszym miejscu zaczęło się pęknięcie - dokładnie obrobionej na wymiar rowka wolframowej prowizorycznej wkładki, która podeprze płynny metal podczas spawania. Wolfram nie połączy się ze stalą, ma b. wysoką temperaturę topnienia, a więc odwzoruje swój kształt w płynnej stali. Już tak robiłem przy nietypowych robotach, i to działa.
Pomoże mi to wydatnie w późniejszej obróbce rowka w kole, który powinien być możliwie dokładny, bez luzów pomiędzy nim a wkładką blokującą - trzeba ich unikać, bo szybko się powiększą i znowu klin szybko szlag trafi.
Ponieważ będę spawał jednak dość masywny kawałek mela z jakiegoś gatunku (może tylko węglówka, ale zawsze), to prawdopodobnie spoina się utwardzi, miejscowo nawet wysoko - i wolę mieć tej potencjalnej twardzizny mniej do zebrania, niż więcej.
Dzisiaj obejrzałem w świetle dnia to miejsce i okazuje się, że żadnego zewnętrznego pierścienia wzmacniającego na piaście nie zmieszczę - w jednym z położeń zespołu przesuwnego tuż nad piastą przemykają zęby innego, dużego wieńca; jest tam pomiędzy nimi ok. 0,5-1mm, tak więc pierścień o żadnej sensownej grubości nie wejdzie. Bardzo szkoda, ponieważ wydatnie zwiększyłby wytrzymałość tego krytycznego miejsca.
Wstawki czy listwy blokującej chyba nie będę nadspawywał w wyharatanym miejscu ani robił całej nowej (jeżeli jest jedna długa listwa, tego jeszcze na 100% nie wiem) - po prostu odetnę zniszczony kawałek z lekkim naddatkiem, dorobię dokładnie kawałek 50-60mm długości z ulepszanej węglówki i dospawam go do oryginalnej listwy, ale w miejscu gdzie jest pierścień dystansowy, nie koło zębate - tam nie występują siły ścinające i materiał "klina" może być odpuszczony.
Wszystko zależy od tego, jak mi jutro wycenią koło zębate - chyba łyknę do ok. 500zł, ale jeżeli mają je na półce lub jeżeli nie będę musiał zbyt długo czekać na zrobienie.
Masz rację z falownikiem, już nawet o tym myślałem (o zastąpieniu silnikiem z falownikiem całego reduktora, gdyby był zrypany nieopłacalnie), ale i dodanie falownika do istniejącego zespołu silnik/reduktor biorę pod uwagę, to bardzo kusząca możliwość. Falownik wektorowy 3kW chyba od 400-500 zł można już trafić.
PS: O, i już kolejny pomysł przywędrował mi do makówki: załatanie piasty, ale wraz z zaspawaniem starego rowka w kole i wydłutowanie nowego po stronie przeciwnej
Gdyby materiał koła w tym miejscu pozwalał na dłutowanie - niestety to jest warunek, choć można spróbować nożem z z węglikiem... ale vidia może się kruszyć - tak chyba zrobię.
Przecież do dłutowania kanałka wystarczy mi moja poczciwa TUM-cia - nawet leżąca na stole operacyjnym, półmartwa, z wyprutymi flakami
Może niejasno się wyraziłem, bardzo skrótowo.
Ja chcę spróbować przyspawać odłamany kawałek piasty koła w miejsce, z którego został on wyłamany - jeżeli znajdę go na dnie reduktora w jednym kawałku. Wtedy będzie idealnie pasował, oczywiście zrobię głębokie fazy żeby przetop był pełny. To nie jest uszkodzenie dyskwalifikujące koło zupełnie, dlatego chcę trochę "podziadować"
Co do samego spawania: dodatkowo myślę o wstawieniu (tuż przed spawaniem) w wydłutowany w kole rowek - bo to tutaj, w najsłabszym miejscu zaczęło się pęknięcie - dokładnie obrobionej na wymiar rowka wolframowej prowizorycznej wkładki, która podeprze płynny metal podczas spawania. Wolfram nie połączy się ze stalą, ma b. wysoką temperaturę topnienia, a więc odwzoruje swój kształt w płynnej stali. Już tak robiłem przy nietypowych robotach, i to działa.
Pomoże mi to wydatnie w późniejszej obróbce rowka w kole, który powinien być możliwie dokładny, bez luzów pomiędzy nim a wkładką blokującą - trzeba ich unikać, bo szybko się powiększą i znowu klin szybko szlag trafi.
Ponieważ będę spawał jednak dość masywny kawałek mela z jakiegoś gatunku (może tylko węglówka, ale zawsze), to prawdopodobnie spoina się utwardzi, miejscowo nawet wysoko - i wolę mieć tej potencjalnej twardzizny mniej do zebrania, niż więcej.
Dzisiaj obejrzałem w świetle dnia to miejsce i okazuje się, że żadnego zewnętrznego pierścienia wzmacniającego na piaście nie zmieszczę - w jednym z położeń zespołu przesuwnego tuż nad piastą przemykają zęby innego, dużego wieńca; jest tam pomiędzy nimi ok. 0,5-1mm, tak więc pierścień o żadnej sensownej grubości nie wejdzie. Bardzo szkoda, ponieważ wydatnie zwiększyłby wytrzymałość tego krytycznego miejsca.
Wstawki czy listwy blokującej chyba nie będę nadspawywał w wyharatanym miejscu ani robił całej nowej (jeżeli jest jedna długa listwa, tego jeszcze na 100% nie wiem) - po prostu odetnę zniszczony kawałek z lekkim naddatkiem, dorobię dokładnie kawałek 50-60mm długości z ulepszanej węglówki i dospawam go do oryginalnej listwy, ale w miejscu gdzie jest pierścień dystansowy, nie koło zębate - tam nie występują siły ścinające i materiał "klina" może być odpuszczony.
Wszystko zależy od tego, jak mi jutro wycenią koło zębate - chyba łyknę do ok. 500zł, ale jeżeli mają je na półce lub jeżeli nie będę musiał zbyt długo czekać na zrobienie.
Masz rację z falownikiem, już nawet o tym myślałem (o zastąpieniu silnikiem z falownikiem całego reduktora, gdyby był zrypany nieopłacalnie), ale i dodanie falownika do istniejącego zespołu silnik/reduktor biorę pod uwagę, to bardzo kusząca możliwość. Falownik wektorowy 3kW chyba od 400-500 zł można już trafić.
PS: O, i już kolejny pomysł przywędrował mi do makówki: załatanie piasty, ale wraz z zaspawaniem starego rowka w kole i wydłutowanie nowego po stronie przeciwnej
Gdyby materiał koła w tym miejscu pozwalał na dłutowanie - niestety to jest warunek, choć można spróbować nożem z z węglikiem... ale vidia może się kruszyć - tak chyba zrobię.
Przecież do dłutowania kanałka wystarczy mi moja poczciwa TUM-cia - nawet leżąca na stole operacyjnym, półmartwa, z wyprutymi flakami






