Próbuje ze zdobytych źródła prądu phoenix 400 expert plus oraz podajnika phoenix drive ROB zbudować fajny migomat.
Mam dwa problemy, jeden z brakiem możliwości sterowania parametrami, ale o tym później a drugi z sygnałem zajarzania łuku z palnika z racji tego, że podajnik jest dedykowany do użycia z robotem.
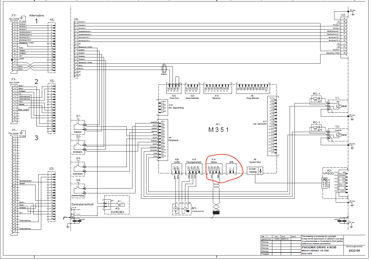
Moje pytanie jest następujące. Potrzebuje zidentyfikować na schemacie podajnika ROB gdzie wpiąć przełącznik z palnika, żeby podajnik wiedział, że ma zacząć prace.
Na schemacie podajnika ROB, na czerwono zaznaczyłem moje podejrzenia w temacie.
Tutaj mam schemat mojego podajnika

Tutaj, jeśli będzie to pomocne jest schemat podajnika który jest dedykowany do tej spawarki i pracy ręcznej

Dziękuje za wszelką pomoc z góry. Jeśli uda mi się dzięki wam rozwiązać ten problem to w kolejnym odcinku sterowanie na które tez ma kilka swoich mongolskich pomysłów.
Jeśli chodzi o moje umiejętności "elektryczne" pospinałem wg schematu arduino drivery i silniki krokowe tak żeby sterowały plazmą CNC, coś tam kalafonii powąchałem, ale wiele mi brakuje. Ta spawarka to mój projekt poboczny do warsztatu i liczę na to, że uda się ją przywrócić do życia bo EWM to świetne maszyny.





